Kot primerjalni model serije mikro stikal Yueqing Tongda Wire Electric Factory normalno odprto samodejno ponastavitveno mikro stikalo za hladilnike in električne igrače odlikuje "visoka občutljivost, ultra dolga življenjska doba in prilagodljivost več scenarijem" kot svoje glavne prednosti. Z integracijo 35-letnega strokovnega znanja podjetja na področju proizvodnje stikal je postal ključna krmilna komponenta v gospodinjskih aparatih, avtomobilski elektroniki, industrijski avtomatizaciji in na drugih področjih, zahvaljujoč minimalni kontaktni vrzeli in mehanizmu hitrega delovanja. Njegovo delovanje in zanesljivost je potrdilo več uglednih organizacij po vsem svetu, kar mu zagotavlja glavni položaj v tržni niši.
Predstavitev mikro stikala
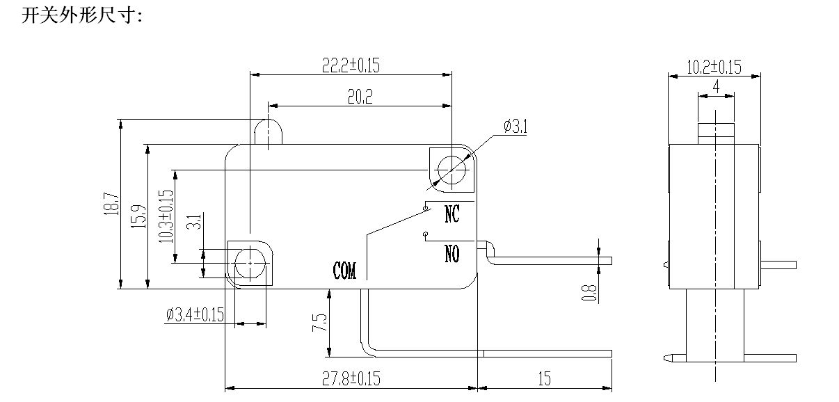
Serija HK-14 ponuja zelo prilagodljive možnosti prilagajanja za izpolnjevanje različnih aplikacijskih zahtev. Delovno silo je mogoče prilagoditi (manj kot 5,0 N v stanju brez vzvoda, standardno 30±15 gf), z razponom delovnega giba 0,6–1,5 mm, primerno za različne scenarije sile sprožitve in premika. Slogi vzvodov so prilagodljivi, vključno z ravnimi, upognjenimi in valjčnimi vzvodi, ki se lahko ujemajo z različnimi strukturami mehanskega prenosa. Kontaktni obrazci pokrivajo celotno paleto SPDT (1NO 1NC), NO in NC.
Parameter mikro stikala (specifikacija)
| Tehnične lastnosti stikala: | |||
| POSTAVKA | Tehnični parameter | Vrednost | |
| 1 | Električna ocena | 5(2)A/10A/16(3)A/21(8)A 250VAC | |
| 2 | Kontaktna odpornost | ≤30mΩ Začetna vrednost | |
| 3 | Izolacijska upornost | ≥100MΩ (500VDC) | |
| 4 |
Dielektrik Napetost |
Med nepovezani terminali |
1000V/0,5mA/60S |
|
Med terminali in kovinski okvir |
3000V/0,5mA/60S | ||
| 5 | Električna življenjska doba | ≥50000 ciklov | |
| 6 | Mehansko življenje | ≥1000000 ciklov | |
| 7 | Delovna temperatura | -25 ~ 125 ℃ | |
| 8 | Delovna frekvenca |
električni : 15 ciklov Mehansko: 60 ciklov |
|
| 9 | Odporen na vibracije |
Frekvenca vibracij: 10~55HZ; Amplituda: 1,5 mm; Tri smeri: 1H |
|
| 10 |
Sposobnost spajkanja: Več kot 80 % potopljenega dela mora biti prekrita s spajkanjem |
Temperatura spajkanja: 235±5 ℃ Čas potopitve: 2~3S |
|
| 11 | Spajkalna toplotna odpornost |
Potopno spajkanje: 260±5℃ 5±1S Ročno spajkanje: 300±5℃ 2~3S |
|
| 12 | Varnostna potrdila | UL、CSA、VDE、ENEC、TUV、CE、KC、CQC | |
| 13 | Testni pogoji |
Temperatura okolja: 20±5 ℃ Relativna vlažnost: 65±5% RH Zračni tlak: 86 ~ 106 KPa |
|
Funkcija in uporaba mikro stikala
Podrobnosti mikro stikala
