Kot reprezentativni izdelek Yueqing Tongda Wire Electric Factory, ki uteleša integracijo osnovne standardizacije in prilagajanja, so mikro stikala za sokovnike, sesalnike, tiskalnike in druge naprave zasnovana z osnovnimi načeli "stabilnosti, zanesljivosti in združljivosti scene". Vključuje 35 let strokovnega znanja in izkušenj podjetja na področju proizvodnje stikal, ki dosegajo številne optimizacije električne zmogljivosti, ravni zaščite in uporabniške izkušnje. Stikalo je široko uporabno za scenarije, kot so distribucija električne energije v pametnem domu, industrijska pomožna oprema in majhni medicinski instrumenti, zaradi česar je prednostna komponenta za krmiljenje vezja, ki usklajuje univerzalnost s potencialom prilagajanja.
Mikro stikaloUvod
Sledijo ključni proizvodni koraki, ki jih morajo kupci razumeti, da ocenijo kakovost izdelka:
1. Proizvodnja komponent: natančno strojno obdelani kovinski kontakti in vzmeti; vzdržljivo ohišje (plastični/kovinski materiali).
2. Sestavljanje: Natančno sestavljanje vzmeti, kontaktov in aktuatorjev, da preprečite vpliv na delovanje.
3. Testiranje: Strogo testiranje (na tisoče preskusov tiskanja, preskusi električne kontinuitete) za zagotovitev zanesljivosti.
4. Embalaža: Zaščitna embalaža za enostaven transport z jasnimi oznakami specifikacij.
Mikro stikaloAplikacija
Mikro stikala se pogosto uporabljajo in so zanesljiva pri delovanju, uporabljajo pa se predvsem v:
- Gospodinjski aparati: luči v hladilniku, ključavnice vrat mikrovalovne pečice, stikala za pokrov pralnega stroja in časovniki za opekač kruha.
- Industrijska oprema: modeli za težke obremenitve, primerni za tekoče trakove, stroje in nadzorne plošče (odporni na prah in vlago).
- Avtomobilsko področje: brisalci vetrobranskega stekla, indikatorji za priprta vrata — zmožni vzdržati tresljaje in ekstremne temperature.
- Elektronske naprave: miniaturna stikala za daljinske upravljalnike in krmilnike za igre (odzivna in dolgotrajna).
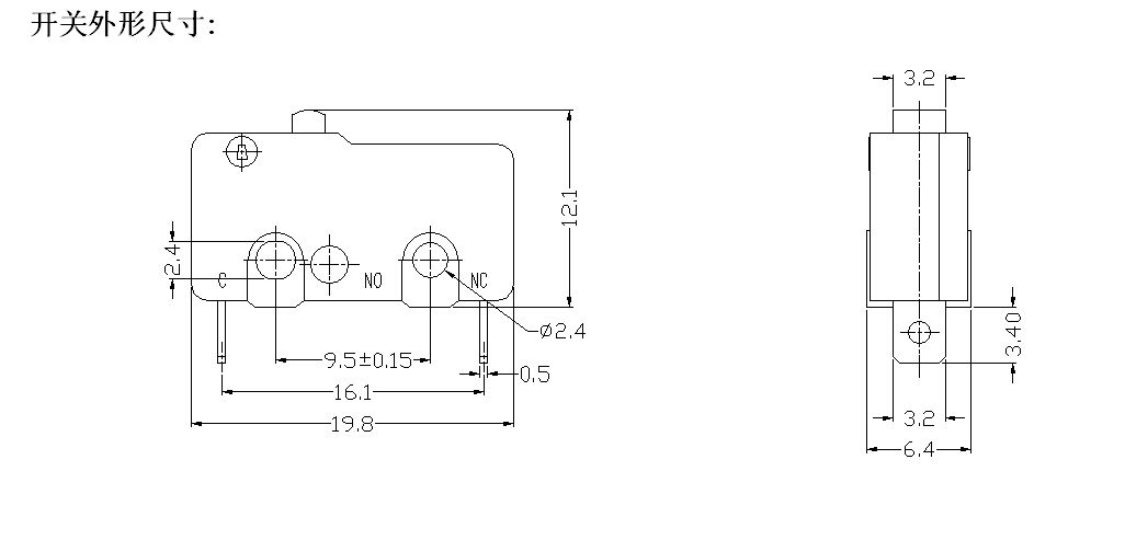
Mikro stikalo Specifikacija
| Tehnične lastnosti stikala: | |||
| POSTAVKA | Tehnični parameter | Vrednost | |
| 1 | Električna ocena | 5(2)A 125V/250VAC 10(3)125V/250VAC | |
| 2 | Kontaktna odpornost | ≤50mΩ Začetna vrednost | |
| 3 | Izolacijska upornost | ≥100MΩ (500VDC) | |
| 4 |
Dielektrik Napetost |
Med nepovezani terminali |
500V/0,5mA/60S |
| Med terminali in kovinski okvir |
1500V/0,5mA/60S | ||
| 5 | Električna življenjska doba | ≥10000 ciklov | |
| 6 | Mehansko življenje | ≥100000 ciklov | |
| 7 | Delovna temperatura | -25 ~ 125 ℃ | |
| 8 | Delovna frekvenca | Električni: 15 ciklov Mehansko: 60 ciklov |
|
| 9 | Odporen na vibracije | Frekvenca vibracij: 10 ~ 55 HZ; Amplituda: 1,5 mm; Tri smeri: 1H |
|
| 10 | Sposobnost spajkanja: Več kot 80 % potopljenega dela mora biti prekrita s spajkanjem |
Temperatura spajkanja: 235±5℃ Čas potopitve: 2~3S |
|
| 11 | Spajkalna toplotna odpornost | Potopno spajkanje: 260±5℃ 5±1S Ročno spajkanje: 300±5℃ 2~3S |
|
| 12 | Varnostna potrdila | UL、CSA、VDE、ENEC、CE | |
| 13 | Testni pogoji | Temperatura okolja: 20±5 ℃ Relativna vlažnost: 65±5% RH Zračni tlak: 86 ~ 106 KPa |
|
Tongda Wire Electric Micro USB vgrajeno stikalo za napajanje Podrobnosti


