Kot profesionalni proizvajalci bi vam Weipeng® želel zagotoviti vodoodporno mikro stikalo dolgo življenjsko dobo. In ponudili vam bomo najboljšo storitev po prodaji in pravočasno dostavo. Če želite več informacij o nepremočljivem stikalu 4A 30VDC z visokim gumbom, nas kontaktirajte.
Izdelek Značilnost


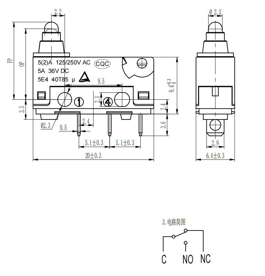
Izdelek Principle
Vodoodporno mikro stikalo je neke vrste mikro stikalo z vodoodpornimi zmogljivostmi, ki lahko normalno deluje v mokrih ali vodi.Vodoodporna mikro stikala so običajno narejena iz vodoodpornih materialov, ki imajo dobro tesnjenje in lahko preprečijo, da bi vlaga prodirala v notranjost stikala.Vodoodporno mikro stikalo ima majhno velikost in občutljivo sprožilno silo, primerno za različne kompaktne scenarije uporabe.Vodoodporno mikro stikalo ima stabilne električne zmogljivosti in lahko vzdržuje zanesljive funkcije stikov in odklopa v mokrih in vlažnih okoljih.
Izdelek Značilnosti in application
Avtomobilska industrija: Vodoodporna mikro stikala se lahko uporablja pri brisalcih, stikalih vrat in drugih delih in lahko normalno deluje v deževnih dneh ali pri sprati.
Gospodinjske aparate: Vodoodporna mikro stikala se lahko uporabljajo v pralnih strojih, pomivalnih strojih, prhkih in drugih domačih aparatih, da se zagotovi normalno delovanje v vlažnih okoljih.
Izdelek Odtails
